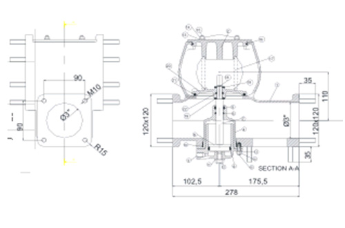
Манифольд 4"/3" с одним направлением
Описание
| № |
ОПИСАНИЕ |
КОЛ-ВО |
МАТЕРИАЛ |
КОД |
| 1 |
|
КОРПУС |
|
|
1 |
|
АЛЮМИНИЕВЫЙ СПЛАВ |
|
92.13.93/e |
| 2 |
|
КРЫШКА ПРУЖИНЫ |
|
1 |
|
АЛЮМИНИЕВЫЙ СПЛАВ |
|
92.13.89 |
| 3 |
|
ВТУЛКА ЦИЛИНДРА |
|
1 |
|
АЛЮМИНИЕВЫЙ СПЛАВ |
|
89.13.52 |
| 4 |
|
ЦИЛИНДР |
|
|
1 |
|
АЛЮМИНИЕВЫЙ СПЛАВ |
|
89.13.53 |
| 5 |
|
ПРОКЛАДКА |
|
1 |
|
ВИТОН |
|
|
|
82.30.53 |
| 6 |
|
УПЛОТНИТЕЛЬНОЕ КОЛЬЦО |
1 |
|
ВИТОН |
|
|
|
26.60.26 |
| 7 |
|
СТЕРЖЕНЬ |
|
1 |
|
НЕРЖАВЕЮЩАЯ СТАЛЬ |
|
92.41.77 |
| 8 |
|
ПОРШЕНЬ |
|
1 |
|
АЛЮМИНИЕВЫЙ СПЛАВ |
|
89.42.02 |
| 9 |
|
ПРОКЛАДКА |
|
1 |
|
ВИТОН |
|
|
|
26.60.27 |
| 10 |
|
УПЛОТНИТЕЛЬНОЕ КОЛЬЦО |
1 |
|
РЕЗИНА МАСЛОБЕНЗОСТОЙКАЯ |
|
26.60.31 |
| 11 |
|
ШАЙБА |
|
|
1 |
|
АЛЮМИНИЕВЫЙ СПЛАВ |
|
97.71.20 |
| 12 |
|
БОЛТ |
|
|
1 |
|
ОЦИНКОВАННАЯ СТАЛЬ |
|
26.70.03 |
| 13 |
|
ШАЙБА |
|
|
9 |
|
ОЦИНКОВАННАЯ СТАЛЬ |
|
56.70.41 |
| 14 |
|
ГАЙКА |
|
|
9 |
|
ОЦИНКОВАННАЯ СТАЛЬ |
|
26.70.29 |
| 15 |
|
БОЛТ |
|
|
9 |
|
ОЦИНКОВАННАЯ СТАЛЬ |
|
26.70.29 |
| 16 |
|
УПЛОТНИТЕЛЬНОЕ КОЛЬЦО |
1 |
|
ВИТОН |
|
|
|
91.60.62/V |
| 17 |
|
ПРУЖИНА |
|
1 |
|
НЕРЖАВЕЮЩАЯ СТАЛЬ |
|
21.20.06 |
| 18 |
|
ШПЛИНТ |
|
|
1 |
|
НЕРЖАВЕЮЩАЯ СТАЛЬ |
|
10.71.69 |
| 19 |
|
ШАЙБА |
|
|
2 |
|
МЕДНЫЙ СПЛАВ |
|
|
97.41.87/1 |
| 20 |
|
ЗАГЛУШКА |
|
1 |
|
АЛЮМИНИЕВЫЙ СПЛАВ |
|
92.13.90 |
| 21 |
|
УПЛОТНИТЕЛЬНОЕ КОЛЬЦО |
1 |
|
ВИТОН |
|
|
|
92.60.70 |
| 22 |
|
УПЛОТНИТЕЛЬНОЕ КОЛЬЦО |
1 |
|
ВИТОН |
|
|
|
82.60.30/V |