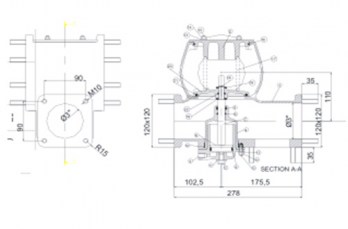
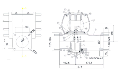
Манифольд 4"/3" с одним направлением

man3a1
man3b24
Описание
ОПИСАНИЕ КОЛ-ВО МАТЕРИАЛ КОД
1   КОРПУС     1   АЛЮМИНИЕВЫЙ СПЛАВ   92.13.934/c
2   КРЫШКА ПРУЖИНЫ   1   АЛЮМИНИЕВЫЙ СПЛАВ   92.13.89
3   ВТУЛКА ЦИЛИНДРА   1   АЛЮМИНИЕВЫЙ СПЛАВ   89.13.52
4   ЦИЛИНДР     1   АЛЮМИНИЕВЫЙ СПЛАВ   89.13.53
5   ПРОКЛАДКА   1   ВИТОН       82.30.53
6   УПЛОТНИТЕЛЬНОЕ КОЛЬЦО 1   ВИТОН       26.60.26
7   СТЕРЖЕНЬ   1   НЕРЖАВЕЮЩАЯ СТАЛЬ   92.41.77
8   ПОРШЕНЬ   1   АЛЮМИНИЕВЫЙ СПЛАВ   89.42.02
9   ПРОКЛАДКА   1   ВИТОН       26.60.27
10   УПЛОТНИТЕЛЬНОЕ КОЛЬЦО 1   РЕЗИНА МАСЛОБЕНЗОСТОЙКАЯ   26.60.31
11   ШАЙБА     1   АЛЮМИНИЕВЫЙ СПЛАВ   97.71.20
12   БОЛТ     1   ОЦИНКОВАННАЯ СТАЛЬ   26.70.03
13   ШАЙБА     9   ОЦИНКОВАННАЯ СТАЛЬ   56.70.41
14   ГАЙКА     9   ОЦИНКОВАННАЯ СТАЛЬ   26.70.29
15   БОЛТ     9   ОЦИНКОВАННАЯ СТАЛЬ   26.70.29
16   УПЛОТНИТЕЛЬНОЕ КОЛЬЦО 1   ВИТОН       91.60.62/V
17   ПРУЖИНА   1   НЕРЖАВЕЮЩАЯ СТАЛЬ   21.20.06
18   ШПЛИНТ     1   НЕРЖАВЕЮЩАЯ СТАЛЬ   10.71.69
19   ШАЙБА     2   МЕДНЫЙ СПЛАВ     97.41.87/1
20   ЗАГЛУШКА   1   АЛЮМИНИЕВЫЙ СПЛАВ   92.13.90
21   УПЛОТНИТЕЛЬНОЕ КОЛЬЦО 1   ВИТОН       92.60.70
22   УПЛОТНИТЕЛЬНОЕ КОЛЬЦО 1   ВИТОН       82.60.30/V
 dantec  manntek  smilepluss

Search